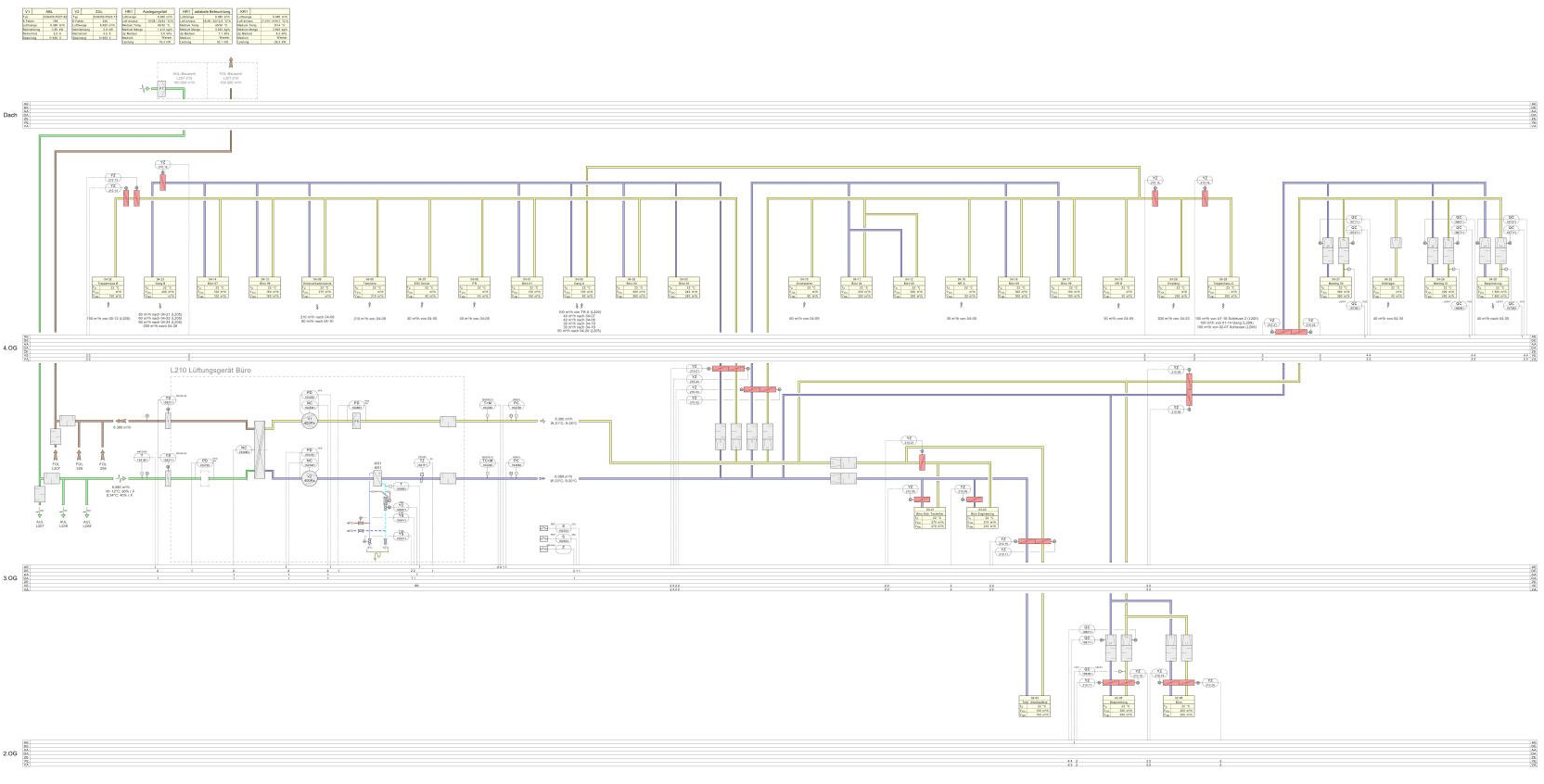
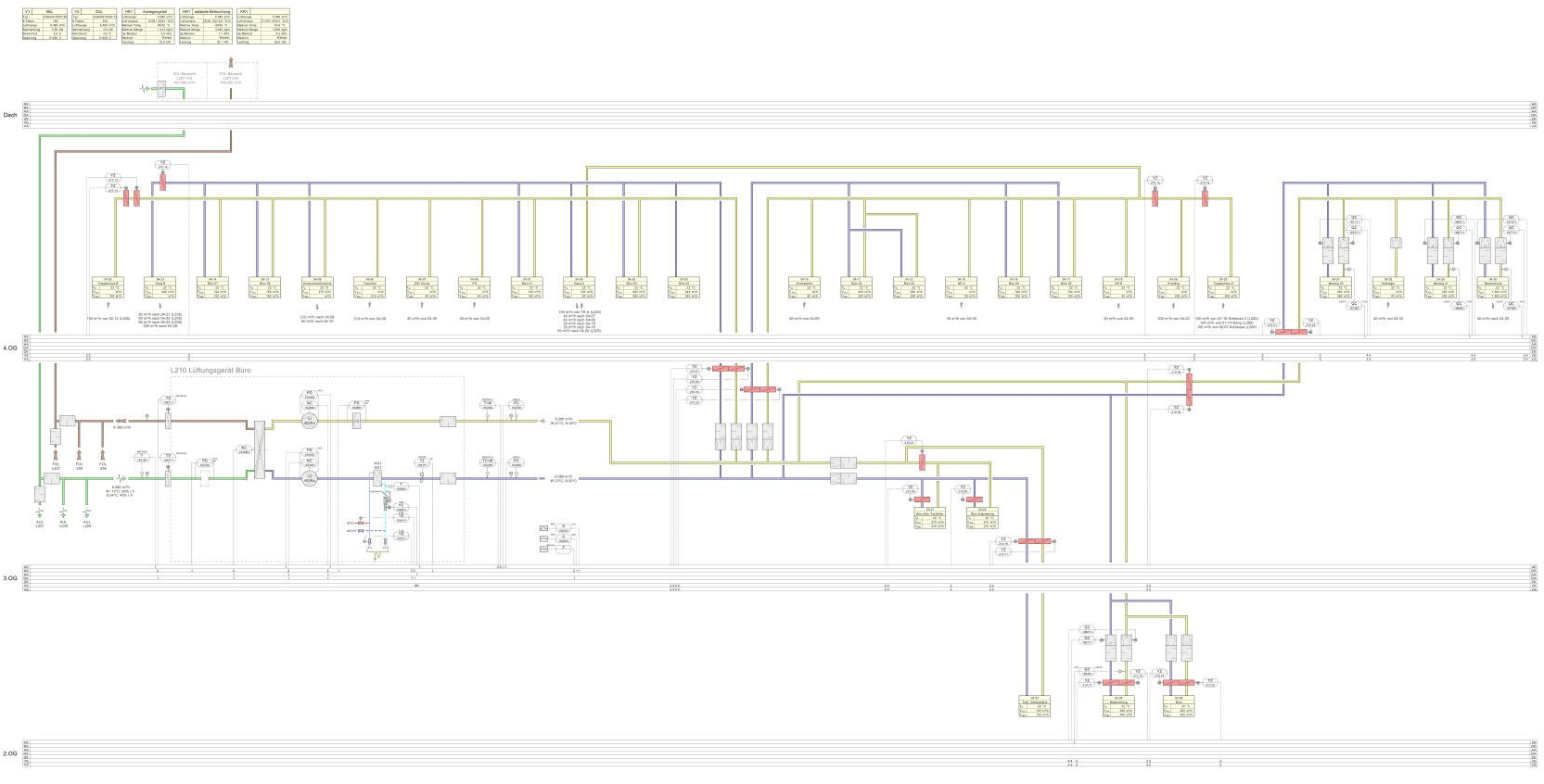
Der Name engkon steht für Engineering und Konstruktion auf höchstem Niveau. Wir unterstützen Planungsbüros, Anlagenbauer, Installateure, Bauherren und Betriebe mit technischen und konstruktiven Planungsdienstleistungen aus dem Gebiet der Gebäudetechnik. Egal ob Einfamilienhaus oder komplexe Industrieanlagen, wir übernehmen die Aufgaben für Sie! Dabei greifen wir auf zwei Jahrzehnte Erfahrung in den Bereichen Engineering, Konstruktion und Ausführung zurück. Diese Kombination garantiert unseren Kunden größtmögliche Lösungskompetenz und beste Ergebnisse.
Outsourcing stärkt Ihr Unternehmen am Markt, profitieren auch Sie davon...
Was wir tun...
















